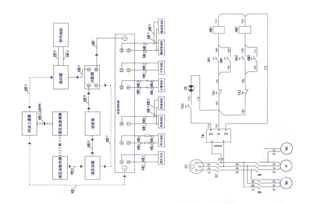
扒渣机电路图
一、测电压的方法
把万用表选用750V~的档位上(只限测量380V/660V电压)
1、不启动电机时测漏电断路器A、B、C三相电的电压时,用万能表两根线分别插入A/B两相,A/C两相,B/C两相若此时电压分别为380V,384V,390V,说明外接电压够用;启动电机后再用万能表量A/B,A/C,B/C(两相电压分别为380V,382V,385V说明电压正常)。
2、若用万能表测漏电断路器A、B、C三相电的电压时,把万能表黑线接地,红线接A相电圧为220V,B相为218V,C相为0V时,说明C相缺电。此时若启动电动机,若热继电器不起三相电流均匀保护,持续30~60秒电机线圈将有可能被烧坏。
3、若万能表两根线接到CJX2-3210的L1、L2或L1、L3或L2、L3测量出电压为360V、362V、361V,这时说明电箱电压偏低,但电机能正常工作使用。
4、若启动电机后用万用表两根线测电机W2与U2,W2与V2,U2与V2三相电压分别为395V,400V,383V,过两分钟再量电压分别为362V,358V,364V,说明此时扒渣机电压非常不稳定,若电压不稳定工作使用易烧坏变压器或电机。
二、测电流的方法
把钳形表档位拨在200A(或1000A)
1、若测11KW电机电流(额定电流为24.5A)
将钳形表夹口张开夹住JR36-20(32A)热继电器A、B、C三相电线到电机的接线柱其中一股线A线上启动电机瞬间看这时电流最大值为42A,再量B线量出电流最大值为47A,C线电流为39A,此时启动电机的电流大概是电机功率的2倍到5倍,说明是正常电流。
2、启动电机5分钟后让油缸正常运动、挖掘,这时A相电流为18A,B相电流为20A,C相电流为19A,说明电流正常。
3、让大臂油缸活塞杆全部伸完(或让油缸活塞杆缩完)再量A相电流为28A,B相为29A,C相为27A,此时电流超过扒渣机额定电流24.5A,说明此时扒渣机安全阀压力过大,易造成电机过载而烧坏电机。要让三相电流值不大于24.5A额定值。
三、测量电阻方法
选Ω档×100Ω(XIK),必须断开电源测电阻。
1、若测量变压器11、13次级线圈两端电阻是否烧掉,必须先取掉11、13触点上的电线,这时万能表两根线任意放到11、13触点上,这时若电阻为2Ω,说明没烧,若为0Ω,说明烧掉。
2、若测3210接触器A1、A2线圈电阻,首先取掉A1、A2两端电线,这时若测量电阻为16Ω,说明线圈A1、A2没烧,若无阻值显示,说明线圈A1、A2已烧。
四、用压力表测量扒渣机压力的方法(轮胎式压力为13MPa,履带式为20 MPa)
把压力表先安装多路阀阀块上,若测量大臂油缸A口的压力,让A口进油,B口回油,把操作杆扳到位,让油缸伸完持续10~20秒,这时看压力表指针指到13MPa就是13MPa的压力(指到12MPa就为12MPa)。
若测量大臂油缸B口的压力,这时让B口进油,A口回油,让油缸活塞杆缩完,这时若压力表指针指向13MPa压力,即为13MPa。

——责任编辑:永力通
版权所有襄阳扒渣机 转载请注明出处!
最新产品
同类文章排行
-
无相关信息









